推薦產品 / RELEVANT
聯系我們 / CONTACT
聯系人:劉小姐
電 話:18581853739
座 機:028-66579066
網 址:www.ddookk.com
地 址:四川省成都市高新區創業路1號劍恒發展中心5樓510室
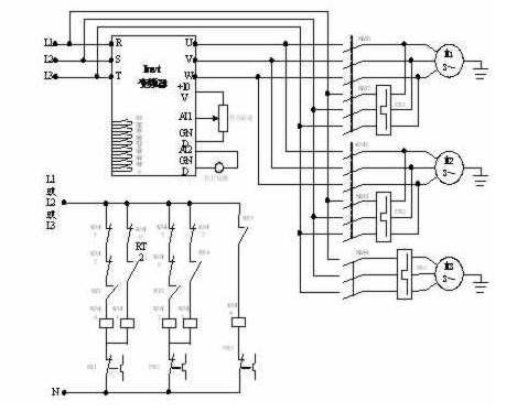
恒壓變頻供水設備plc選型
2017-04-07 296人瀏覽
恒壓變頻供水設備的水泵M1、M2,M3可變頻運行,也可工頻運行,需PLC的6個輸出點,變頻器的運行與關斷由PLC的1個輸出點,控制變頻器使電機正轉需1個輸出信號控制,報警器的控
恒壓變頻供水設備PID控制詳細介紹
2017-04-06 446人瀏覽
恒壓變頻供水設備僅用P動作控制,不能完全消除偏差。為了消除殘留偏差,一般采用增加I動作的PI控制。用PI控制時,能消除由改變目標值和經常的外來擾動等引起的偏差。但是,I動作過強
恒壓變頻供水系統中加減泵的條件分析
2017-04-06 336人瀏覽
在恒壓變頻供水設備的工作流程中,我們提到當一臺調速水泵己運行在上限頻率,此時管網的實際壓力仍低于設定壓力,此時需要增加恒速水泵來滿足供水要求,達到恒壓的目的。當調速水泵和恒速水
恒壓變頻供水設備工作原理
2017-04-05 276人瀏覽
恒壓變頻供水設備工作過程: 合上空氣開關,供水系統投入運行。將手動、自動開關打到自動上,系統進入全自動運行狀態,PLC中程序首先接通KM6,并起動變頻器。根據壓力設定值(根據管網


微信在線咨詢







